18〜40GHzをカバーする高精度・広帯域 180°ハイブリッドカプラ
180° 2.92mmハイブリッドカプラ 18–40GHz は、マイクロ波/ミリ波帯で使用される 広帯域180°ハイブリッドカプラ です。入力信号を 等振幅・180°位相差の2系統に分配でき、 また複数信号の合成にも利用されます。
Menu
180° 2.92mmハイブリッドカプラ 18–40GHz は、マイクロ波/ミリ波帯で使用される 広帯域180°ハイブリッドカプラ です。入力信号を 等振幅・180°位相差の2系統に分配でき、 また複数信号の合成にも利用されます。
●型番:XQY-HYD-18/40-180KE
●広帯域周波数:18~40GHz
●低挿入損失:≤3.2dB
●低VSWR
一次VSWR:最大1.80
二次VSWR:最大1.80
●優れた振幅バランス:最大±1.2dB
●定格電力:30W
●入出力コネクタタイプ:2.92mm(メス)
●周波数帯域、コネクタタイプ、仕様のカスタマイズも可能です。
【製品概要】
180° 2.92mm ハイブリッドカプラ(18–40GHz)は、マイクロ波およびミリ波帯で使用される汎用性の高い受動部品です。
この180°ハイブリッドカプラは、
伝送線路の特定方向に沿って伝送電力を連続的にサンプリングでき、
入力信号を等しい振幅で、180°の位相差を持つ2つの信号に分配します。
また、複数信号の合成にも使用され、
出力信号の利用効率を向上させる用途に適しています。
特に、PHS屋内カバレッジシステムにおける
基地局信号の合成などで広く利用されています。
【アプリケーション】
このRFハイブリッドカプラは以下の分野で使用されます:
高周波回路において、
不要信号の抑制・フィルタリング、周波数選択に優れた性能を発揮します。
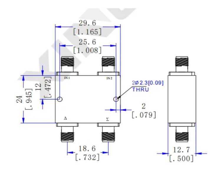
【仕様】

【インターフェース寸法】
